Contractors often need precise measurements and calculations for their projects. One handy tool they can use is a graph paper measuring worksheet. This simple yet effective tool can help contractors plan and execute their projects with accuracy.
Graph paper measuring worksheets are available in various sizes, grid patterns, and layouts to suit different needs. They can be used for drawing to scale, creating floor plans, or simply making accurate measurements for construction or renovation projects.
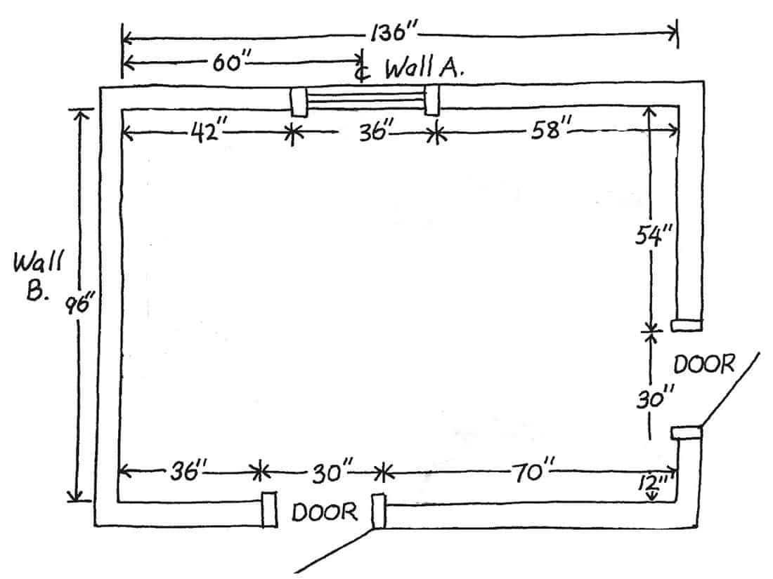
Graph Paper Measuring Worksheet For Contractors
Graph Paper Measuring Worksheet For Contractors
These worksheets are particularly useful for contractors working on projects that require precise measurements. They provide a visual aid that can help contractors visualize their plans and ensure that all measurements are accurate.
By using a graph paper measuring worksheet, contractors can avoid costly mistakes and rework. They can easily sketch out their ideas, calculate dimensions, and ensure that everything fits together perfectly before starting the actual construction work.
Whether you are a seasoned contractor or a DIY enthusiast, a graph paper measuring worksheet can be a valuable tool in your arsenal. It can streamline your planning process, improve accuracy, and ultimately lead to better results in your projects.
Next time you embark on a construction or renovation project, consider using a graph paper measuring worksheet to help you plan and execute your work more effectively. With this simple tool, you can take your projects to the next level and achieve professional results with ease.
In conclusion, graph paper measuring worksheets are a versatile and practical tool for contractors looking to enhance their planning and execution processes. By incorporating these worksheets into your workflow, you can save time, reduce errors, and achieve greater precision in your projects. Give them a try and see the difference they can make in your work!
Amazon Mr Pen Graph Paper 22 Sheets 17 x11 4×4 4 Squares Per Inch Colored Lined Graphing Paper Grid Paper Graph Paper Pad 1 4 Graph Paper 1 4 Inch Grid Drafting Paper Large
How To Measure Your Kitchen Norfolk Kitchen Bath


